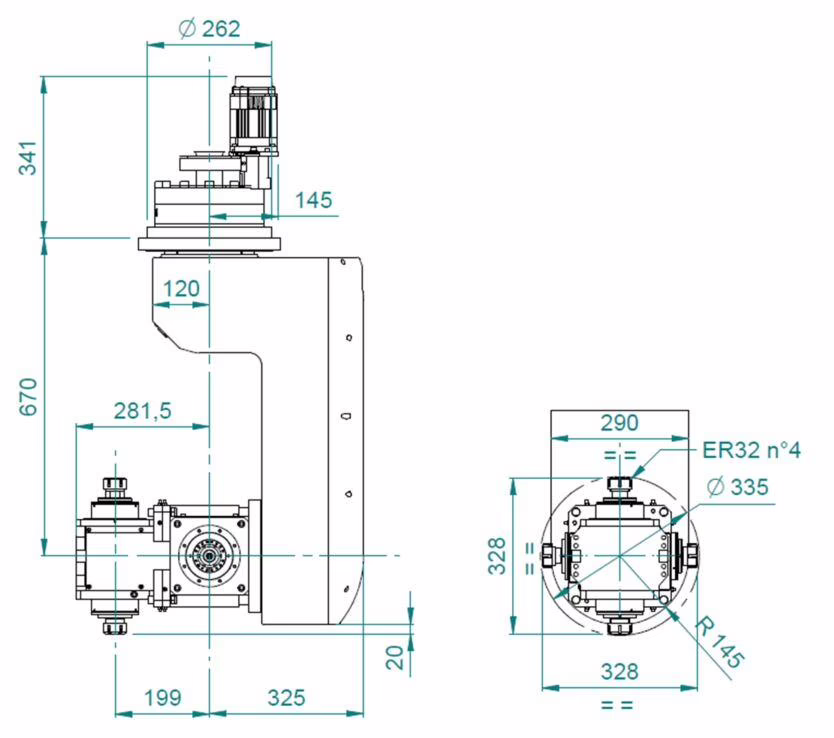
TILT T-RVX 100/120
Birotary heads suitable for the production of elements of chairs, tables, beds, frames, staircase components and musical instruments. The “Revolver” layout allows to avoid the tool change during the machining: just rotate the head to change the working tool. In the RV birotary the revolver is done by crossed spindle (X).








